Exelvision
Exelvision
La société Exelvision
Le personnel d'Exelvision
Entrevues, vingt ans après!
Les revendeurs
Les tarifs grand public
Le saviez-vous?
EXL 100
Présentation
Composants internes
Carte mère
Organisation mémoire
Connectique
Claviers
La concurence
De Antiope à EXL100?
Exeltel
Présentation
Compatibilité
Carte mère
Exeltel VS
Exeltel VX
Exeltel TTO
Exeltel (par Amper)
Concurrents Oric, Thomson et Amstrad
IPT: Exelvision Vs Thomson
El Corte Inglès
Exeltel //
Présentations
La carte mère
Description des fonctions
Manuel d'utilisation
Brochure commerciale
Clone...ou presque
Exel-PC
Présentation de l'Exel-PC
Logiciels
Support Cartouche
Support Cassette
Support Disquette
Support Papier
Serveur Télématique
Matériels
Borne vidéodisque interactive
Contrôleur II
EXL 135, Exeldisk, Exelpro
EXL 80
Exeldrums
Exelmémoire
Exelmodem
Exelmouse
Exelréseau
Interface 16 voies
Interface Multifonctions
Interface Série-Parallèle
Horloge Temps Réel
Manettes de jeu
Magétophones à cassettes
Moniteurs
Autres...
Les références
Extension ROM sur port CRAM
Documents
Exelvision vue par les médias
Le Papillon dans les filets
Les publicités papier
Les spots publicitaires
Livres pour grand public
Livres et manuels techniques
Documents divers
Documents du plan IPT
«Exelement Vôtre»
«Hebdogiciel»
Assistance
Reproduction d'une cartouche
Dépannage & Améliorations
Liaison Mac/PC vers EXL100
Restauration de médias
Divers
Utilisateurs, passé et présent
Développements récents
Qu'est-ce?
Réflexions
Education
Informatique Pour Tous
EPI
Le site
Aide, Remerciements, Contact
La Boutique
Les mises à jour
Rechercher dans le site...
Â
Â
Haut de page
Vous êtes ici :
EXL 100
/
Carte mère
/
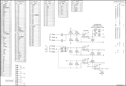
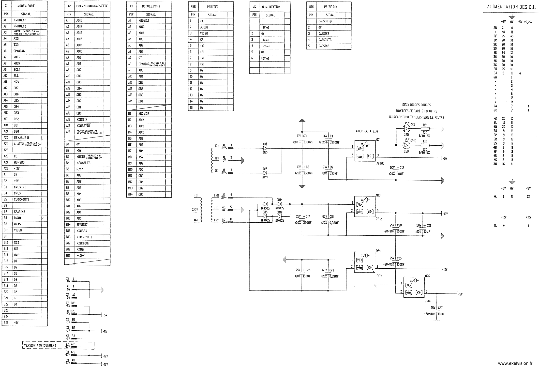
EXL100 - Connectique et Alimentation
Sans mon accord préalable, vous n'êtes pas autorisé à distribuer, modifier, transmettre, réutiliser ou rediffuser le contenu de ce site.